SOLUTION
Application of Variable Frequency Drives (VFDs) T9000 on Spinning Frames
Preface
The core advantage of applying VFD (Variable Frequency Drive) retrofit to spinning frames lies in its ability to realize automatic stepless speed regulation in accordance with the tension variation law of small, medium and full cops during doffing, so as to optimize spinning conditions and maintain the most stable possible yarn tension throughout each stage of the spinning process.
It will play a positive role in further reducing yarn end breakage and yarn hairiness, achieving high quality and high yield, cutting energy consumption, and alleviating the labor intensity of spinning machine operators.

Spinning Frame Tension Change Features
Ring spinning is the final process in the entire yarn manufacturing workflow. In ring spinning production, yarn end breakage is the critical factor affecting product quality, production yield and energy consumption.
The essence of yarn end breakage in ring spinning is as follows: breakage occurs when the breaking strength of the yarn in the spinning zone between the front roller and the thread guide hook is lower than the tension borne by the yarn in this zone. Therefore, stabilizing spinning tension is an essential prerequisite for reducing yarn end breakage.
The high-speed rotation during yarn winding on the spinning frame forms a yarn balloon. Fluctuations of the yarn balloon across different spinning stages directly affect the magnitude of spinning tension, making it the direct determinant of the frequency of yarn end breakage.
Clarifying the variation characteristics of balloon tension throughout a full doffing cycle is critical to achieving stable control of spinning tension and reducing yarn end breakage.
(1) Relationship between spinning tension and spindle speed
Spinning tension has a parabolic relationship with spindle speed. Specifically, as spindle speed increases, spinning tension rises accordingly; moreover, the higher the spindle speed, the greater the increment of spinning tension
(2) Variation of spinning tension during a full doffing cycle
At the start of spinning with an empty bobbin, spinning tension is high, which is attributed to the long yarn balloon and small winding diameter. As the ring rail ascends, balloon tension tends to decrease. However, around the completion of cop bottom forming, the yarn balloon exhibits a large convexity, resulting in relatively unstable tension and further unstable movement of the ring traveler.
After the completion of cop bottom forming, the change in winding diameter plays a dominant role in yarn tension variation. When the ring rail ascends (at the small winding diameter position), spinning tension is high and balloon convexity is small. When the ring rail is at the bottom position (at the large winding diameter position), spinning tension is low and balloon convexity is large. The medium cop stage is the period with the most stable spinning tension and balloon shape.
Before the cop is fully wound in the full cop stage, the balloon convexity becomes relatively flat; however, when the balloon height is excessively low, spinning tension shows a sharp rise, the yarn balloon loses its tension regulation effect, and tension becomes unstable.
During yarn winding, the ring rail performs repeated short-stroke up-and-down traverse motion, with a slow ascending speed and a fast descending speed. Measured by a tension meter, an abrupt change in the tension peak occurs at the moment when the ring rail reverses from ascending to descending. At this point, the yarn balloon shape also changes significantly, which easily triggers yarn end breakage and uneven twist transmission.
Investment and Return
1:The effect of increasing production
After installing the ZONCN T9000 series inverter on the spinning frame, the speed is reduced by 5%–8% during the small yarn and large yarn stages (to lower the end breakage rate). During the medium yarn stage, the speed is increased by 5%–15% according to the machine condition.
Since the medium yarn length accounts for 80% of the total yarn length, the overall spinning speed is increased by nearly 10%. This greatly improves the effective running time of spindles, enhances the production efficiency of the spinning frame, and raises the output by nearly 10%.
2:It serves to improve quality and reduce the end breakage rate.
End Breakage Analysis
Spinning end breakage is a major hazard in spinning production:
It reduces the output and production efficiency of the spinning frame;
Increases the labor intensity of spinning operators;
Easily leads to more fabric defects and large-scale quality fluctuations;
Raises the consumption of reclaimable cotton, waste yarn, and machinery materials.
Therefore, end breakage has become an obstacle to the development of high-output, high-quality, low-consumption, and large-package spinning production.
Influence of Spindle Speed
An increase in spindle speed will result in more end breakages in the finished yarn.
When spindles run at a constant speed (without frequency conversion), the distribution of doffing end breakages is as follows:
frequent at the small yarn stage, less frequent at the large yarn stage, and few at the medium yarn stage, with a ratio of 5:3:2.
By applying frequency converter speed regulation, the spinning end breakage rate can be reduced by approximately 10 percentage points.
With a lower doffing end breakage rate, spinning operators can use the saved time for cleaning work, which greatly reduces unexpected yarn defects and ensures stable yarn quality.
3:Save raw materials and electricity
For some difficult-to-spin varieties such as hard-twisted yarn, core-spun yarn, cotton-linen blended yarn and high-grade combed products, selecting the optimal points in the production process through variable speed regulation can greatly increase the per-unit yield, reduce yarn re-joining, decrease reclaimed cotton and correspondingly lower roller waste, thus saving raw materials wasted in rework. Using a frequency converter to control the main motor can tap the motor’s reactive power, fully utilize and improve the power factor, so as to achieve the goal of power saving. Without a frequency converter, the active power of an ordinary spinning frame is between 7.3 and 8.1, while after installing the frequency converter, the active power can reach above 9.9; this reduces reactive current and line loss, saves electric energy, and lowers the power consumption of the equipment under the same output.
Energy Saving Example: We will analyze this with a set of data. A 75 kW frequency converter costs 5,000 RMB, with an average service life of 6 years. Assuming an average maintenance cost of 1,200 RMB per unit after the warranty period, and an average electricity price of 0.6 RMB per kWh. Previously, each 15 kW motor cost 8 RMB per hour of operation, totaling 192 RMB per day. After using the frequency converter, the measured current is reduced by 33.6%. Since most of the reduction is in reactive power while the factory meters are active power meters, the normal saving on the active power meter is 13.6%, with the remaining 20% saved on high‑voltage power. Taking the 13.6% saving alone, 26.11 RMB can be saved per day. Based on 300 working days per year, 7,833 RMB of electricity costs can be saved per machine annually. Excluding other factors, the cost can be recovered in just eight months through electricity savings alone. The total electricity saving over six years is 46,998 RMB; after deducting the initial cost and maintenance expenses, the net saving in six years is 40,798 RMB.
4:Improve generation efficiency
(1) Thanks to its stepless speed regulation function, the variable frequency drive enables speed adjustment at any time and place without pulley replacement, thereby improving production efficiency.
(2) It features a built-in simple PLC programmable control system, which can realize multi-step automatic energy-saving operation by setting the corresponding time and speed; if the machine needs to stop for maintenance or shift change, the program can be paused through the stop button of the simple PLC.
(3) The application of frequency converters has a remarkable influence on spinning output. By greatly increasing the spinning speed during the medium yarn stage, the output of the spinning frame can be improved while the end breakage rate remains basically unchanged, and obvious effects have been achieved in many domestic spinning mills. Many textile mills used to increase output only by adding more spinning frames and spindles, but isn’t it a better approach to change the mindset and boost output by improving the production efficiency of each spindle and the output per spinning frame? In this way, output can be increased and enterprise competitiveness enhanced without adding extra equipment, workshops or workers.
5:Extend the service life of the machine
In particular, the frequency conversion feature includes soft start and soft stop functions. It reduces the impact current during motor startup, minimizes the impact on the power grid, reduces mechanical inertia wear, and significantly extends the service life of the motor and mechanical bearings.
6:Reduce the maintenance workload
The frequency conversion system can provide real-time monitoring of current, voltage, motor speed, feedback information, time, faults, etc. It also features automatic constant voltage control, speed tracking startup control, and protection of the motor, thereby reducing the maintenance workload.
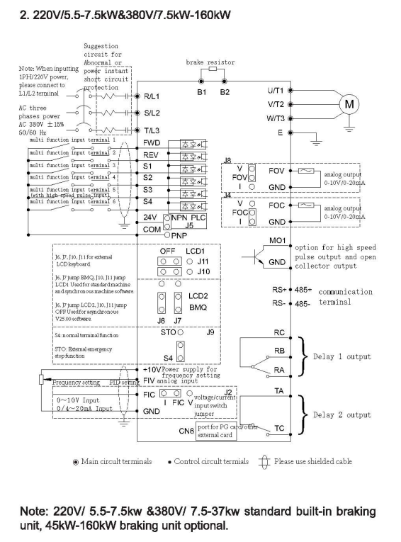
Inverter Wiring Diagram

ZONCN's frequency conversion renovation (application) projects for carding machines, roving frames, spinning frames, open-end spinning machines and other textile equipment have been adopted by numerous textile enterprises. Boasting significant energy-saving effects, effective loss reduction and lower maintenance costs, these solutions have won unanimous praise from peers in the textile industry!
Copyright © Copyright:ZONCN Record number:1943255 sitemap(Baidu / Google)
Technical SupportJinfeng Operations 统计代码放置